【机情无限 精彩毕设】机械2025届毕业设计(论文)中期检查优秀案例分享第十一期——上海某美术馆建筑B区暖通空调设计
学生姓名:陈婉婧
班 级:建环2021-03班
指导教师:余涛
毕设题目:上海某美术馆建筑B区暖通空调设计

一、概况
1.选题意义
建筑环境与能源应用工程专业是一个偏向于实际工程的专业,未来就业也偏向于进行实际暖通空调设计,所以毕业设计选题目的在于让学生实现理论与实际相结合,将所学的相关理论知识应用于实际项目中,在实践中检验和提升理论知识,加深对专业领域的理解和掌握,并在实践中锻炼和培养自己的工程设计能力、计算分析能力、创新思维能力和解决问题的应变能力。通过 17 周左右的毕业设计,希望能够促进学生个人能力的提升,增强自己的专业能力与行业水平以适应竞争欲渐激烈的就业市场,了解行业发展走向与社会需求,通过实际工程设计,得到专业工程设计的锻炼。
2.任务分解
(1)资料收集与参数确定:调查实际工程的工程概况、基础资料,如气象资料、建筑资料、建筑构成、工程周围能源、建筑物分布等情况。根据已收集的资料和房间的功能类型,确定实际工程建筑内各房间的室内设计参数、人员密度、新风量等参数。
(2)建筑物的负荷计算:根据建筑物内各项参数,对冬夏季工况空调进行计算,按夏冬两季分类内容包括人员、设备、照明、新风、围护结构等室内冷热负荷,为之后冷热源方案选型、空调系统设计提供数据支持。
(3)建筑物冷热源系统选择:对实际工程建筑物空调系统方案进行设计,按照负荷计算结果,选择冷热源,并在技术性和经济性分析上对空调系统方案进行组合、比较、优化,给出节能优化设计。
(4)空调系统方案选择:在冷热源方案基础上选择该空调系统所需要的各类设备,包括末端设备、空调处理设备、动力循环设备等,对各个房间进行空调系统分区。
(5)空调的空气处理过程计算:对夏季工况空调空气处理过程进行计算,得到相应的风量、新风量、送风参数等;对冬季工况空调空气处理过程进行计算,得到相应的风量、新风量、送风参数,再热量等。
(6)水力计算:对空调水系统、风系统进行水力计算,确定各管段管径,阻力损失,系统总损失。并联环路可只进行两个或以上主要环路的阻力平衡计算。
(7)气流组织计算:对空调风系统进行气流组织计算,确定送风口型式,风口位置、数量,送风参数,回风口布置。
(8)其他设计与绘制图纸:对消声、保温、自控方案等进行计算和阐述,并绘制系统工艺图、设备和管道布置草图、水力计算草图,草图应该较为全面地反映系统干管、立管、支管走向与各设备连接,各管段长度,局部阻力部件种类、数量等。完善图纸包括各层平面图、系统图(或剖面图),制冷机房平面图、工艺流程图、有关剖面图。
(9)撰写毕业设计说明书:包括所有的设计计算、分析过程、计算结果、设备选型、水力计算过程、结果等说明。
二、已完成工作
(1)设计概况:了解建筑概况、气象参数分析及空调室内设计参数取值。
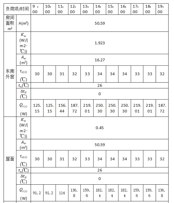
(2)负荷计算:查找计算方法与依据,以负一层艺术沙龙与多功能厅为例,手算其夏冬季冷热负荷与湿负荷,并与天正暖通软件计算值进行比较校核,误差不超过5%,部分手算负荷过程及结果如图1所示,并使用天正暖通软件对全建筑负荷进行精算,得到夏冬季节总负荷和负荷指标,天正暖通软件精算结果如图2所示。
图1. 部分手算负荷过程及结果
图2. 部分手算负荷过程及结果
(3)建筑冷热源系统选择:对建筑周围可用能源进行分析,确定可使用能源类型并对其进行组合,冷热源系统形式统计表如图3所示,通过技术性分析与经济性分析考虑使用水蓄能系统+地源热泵。
图3. 冷热源系统形式统计表
(4)空气处理过程计算:对全建筑各个房间进行分区,建筑上海某美术馆B区分区结果如图1所示,选取地下一层艺术沙龙、131人报告厅、恒温恒湿内库房1和一层陈列厅内区为典型案例,进行空气处理过程计算,艺术沙龙FCU+OA系统空气处理过程计算结果如图二所示。
图4. 建筑上海某美术馆B区分区结果
图5. 艺术沙龙FCU+OA系统空气处理过程计算结果
(5)气流组织计算:选取地下一层艺术沙龙、131人报告厅和一层序厅为案例,分别对散流器送风、座椅送风、条缝送风和喷口送风进行气流组织设计计算,座椅送风方式送风示意图如图6所示。
图6. 座椅送风方式送风示意图
(6)水力计算:对风机盘管+新风机组系统和全空气系统分别做风系统设计,布置了设备与风管并完成了水力计算,保证管道不平衡率低于15%。并完成了部分楼层水管的设备连管。以风机盘管+新风机组系统为例,新风管道布置示意图如图7所示,通过计算,最不利环路的总阻力为98Pa,小于新风机组额定机外余压290Pa,所选机组符合要求可以使用。同时确定需要在管段9、10、13、17、18加平衡阀,使管段的不平衡率小于15%。
图7. 新风管道布置示意图
二、下一步工作计划
(1)优化完成空调的水系统与水力计算,完成水泵的选型,并完成相关设备的选型和空调系统的自动控制系统方案。
(2)完成保温设计、隔震设计、消声设计、节能与环保设计等。
(3)准备完善修改毕业设计说明书,完善补充各类图纸:各层平面图、系统图(或剖面图),制冷机房平面图、工艺流程图、有关剖面图。
问题一:131人报告厅座椅送风是根据什么确定室内送风温差选择4℃的?
回答:对于这个问题,我查阅了许多做阶梯报告厅座椅送风的设计,为了减少人员的冷吹风感,不能选取较大的送风温差,一般选择在4℃左右,所以,在这个空气处理过程中,选择了4℃的送风温差。
问题二:为什么地下一层艺术沙龙、美术教育室、艺术体育中心及右侧走廊的风机盘管新风系统水力计算中最不利环路风管有40m,但阻力只有98Pa,是否是计算出了问题呢?
回答:对于这个问题,虽然最不利环路的风管比较长,但由于该风管内风量较小,干管只有2820m3/h,所以导致该区域的最不利环路的阻力也较小。
在本次中期答辩中,我经历了从准备到答辩的全过程,不仅对自己的设计成果进行了全面梳理,更通过与导师和同学们的交流,获得了宝贵的反馈与建议。
在答辩准备过程中我系统回顾了供暖、通风、空调系统的设计原理,并结合实际项目需求进行综合应用,让我对建筑环境与能源应用工程的专业知识有了更深刻的理解,并在实际运用中加强了对其的掌握。在答辩中,老师们针对水力计算提出了质疑,指出新风管绘制有不节能的地方,如艺术沙龙房间中的新风管不必为了设计图的美观而多加弯头,造成多余的局部阻力损失。这让我在之后的日子里可以更有针对性的优化毕业设计。
本次中期答辩是一次“设计-反思-重构”的完整闭环。通过暴露问题、吸收建议、调整策略,我不仅弥补了技术短板,更对暖通设计的“科学性、艺术性、人文性”有了全新认知。未来,我将以答辩反馈为起点,继续深化设计细节,力争在终期答辩中呈现一个兼顾技术先进性与落地可行性的暖通系统方案。